For all information related to the new Adelaide University — including study applications for 2026, details for commencing and current students, and Graduate Research — please visit adelaideuni.edu.au.
The information on this website applies to services of the University of South Australia as of 19th December 2025 including for students completing their studies and graduating with UniSA during the period 19th December 2025 up until 31st March 2026.
Our world-class research spans five key areas: Healthy Environments, Sustainable Resources, Smart Energy, Medical Technology and High-Tech Manufacturing. Watch the videos below to discover how the Future Industries Institute is tackling tomorrow's challenges today.
Albert is working on better tools for site assessment to identify environmental contaminants. We need to work to minimise the impact of contaminants. Albert is researching methods to ensure remediation can be cost effective.
Marta’s research is looking at emulsions in the food industry. Currently emulsifiers that are used in food are synthetic, quite often made from petrochemicals. Marta’s group is researching the use of natural fats as emulsifiers to remove the impact of synthetic emulsifiers on the environment and our bodies.
David’s research is looking at moving towards a green economy with low carbon emissions. MinEx CRC has developed coiled tubing drilling for use in the minerals exploration industry, which hasn’t occurred in the past. Coiled tubing drilling is cheaper, faster and more environmentally friendly and after many years of research, it has just gone to market for the use in the minerals exploration industry.
Matthew is looking to use simple inkjet-printable, water-based materials to cure neurological diseases. The diseases currently being looked at are blindness caused by macular degeneration and multiple neurological diseases.
Craig’s research is looking at creating devices at a very small scale to provide real-time information. This is done using fluids and fluidics in sensing applications for use in many areas – from minerals processing to cancer therapy and everything in between.
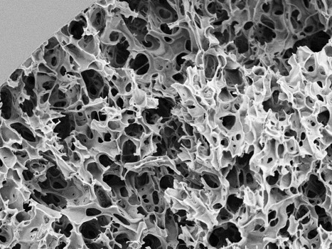
Colin’s research is in the additive manufacturing area. Colin has worked with Stärke AMG to bring electron beam melt printers to Australia. These printers will be for industrial use in areas such as defence, aerospace and the medical industry.
Benjamin’s group is researching the best possible treatment for cancer, and to be able to balance the aggressiveness of treatment with the patient’s quality of life. Benjamin is developing a contrast agent that will work with MRI to help find cancer spread at the smallest scale.
Combining the expertise and talents of the Future Industries Institute researchers and technical staff, our research groups are collaborative, discipline-based environments that support and develop research talent from senior researcher leaders to early and mid-career researchers through to PhD students.
We invite you to contact us to explore an opportunity and develop an exciting,
mutually beneficial and multifaceted relationship with you and your company.
Australian students
Phone: +61 8 8302 2376
Enquiry: unisa.edu.au/enquiry
International students
Phone: +61 8 9627 4854
Enquiry: unisa.edu.au/enquiry